Профиль PLINTUS-H35-F-2000 BLACK (Arlight, Алюминий) 043599 в Тамбове
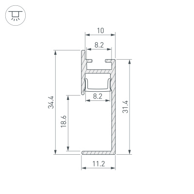
Встраиваемый алюминиевый профиль-плинтус с накладным фланцем черного цвета для создания эффекта парящей стены. Габаритные размеры профиля составляют 2000 мм в длину, 11,2 мм в ширину и 34,4 мм в высоту. Площадка для установки светодиодных лент позволяет использовать ленту шириной до 8 мм и мощностью до 18 Вт/м. Это обеспечивает гибкость в выборе светодиодных лент и создает потрясающие световые решения. Экран, заглушки и другие аксессуары не включены в комплект и приобретаются отдельно. Для данной модели профиля представлено два вида экрана: силиконовый экран W10-5000 SILICONE 043661 (совместим с заглушками PLINTUS-FANTOM-BENT 043905 и 043662) и пластиковый экран W10-2000 OPAL 043606 (совместим с заглушками PLINTUS-FANTOM 043608 и 043907). Цена указана за 1 метр профиля. Отличное решение для создания современных световых проектов.
Алюминиевый профиль-плинтус для светодиодных лент и линеек. Цвет - черный RAL9005 (порошковая окраска). Габаритные размеры (L×W×H): 2000x11,2x34,4 мм. Ширина площадки для ленты 8,2 мм. Аксессуары приобретаются отдельно. Цена за метр.
043599 Arlight Профиль Встраиваемый с накладным фланцем Прямоугольный Чёрный в Тамбове
Вы можете заказать Профиль Arlight с доставкой или самовывозом в Тамбове
просто достаточно позвонить менеджеру и сообщить артикул товара: 043599 или оформить заказ на сайте Arlight Shop Тамбов
Характеристики
|
Объем м3
|
0.00084 |
|
Гарантия м.
|
36 |
|
Материал корпуса
|
Алюминий |
|
Способ монтажа
|
Встраиваемый с накладным фланцем |
|
Назначение
|
Для плинтуса |
|
Форма (сечение)
|
Прямоугольный |
|
Цвет покрытия
|
Чёрный |
|
Тип товара
|
Профиль |
|
Гарантийный срок
|
3 год(а) |
|
Модельный ряд
|
ARH-PLINTUS |
|
КПД профиля (cветовой)
|
68 % |
|
Рассеиваемая тепловая мощность на 1м
|
max: 18 W |
|
Ширина световой линии
|
10.4 мм |
|
Внешний вид поверхности
|
Матовая |
|
Покрытие поверхности
|
Порошковая окраска |
|
Длина
|
2000 мм |
|
Ширина
|
11.2 мм |
|
Высота
|
34.4 мм |
|
Ширина площадки
|
8.2 мм |
|
Глубина установки источника света
|
5.8 мм |
|
Кратность цены за 1 м/шт
|
1 |
|
Мощность (прайс)
|
18 Вт |




